首页
关于我们
产品中心
微生物控制事业部
纺织化学品事业部
新材料事业部
成功案例
新闻资讯
联系我们
联系方式
在线留言
加入我们
给时间集团候选人的一封信
社会招聘
校园招聘
中文简体
English
首页
关于我们
产品中心
微生物控制事业部
纺织化学品事业部
新材料事业部
成功案例
新闻资讯
联系我们
联系方式
在线留言
加入我们
给时间集团候选人的一封信
社会招聘
校园招聘
中文简体
English
时间科技 化学品解决方案提供商
首页
新闻资讯
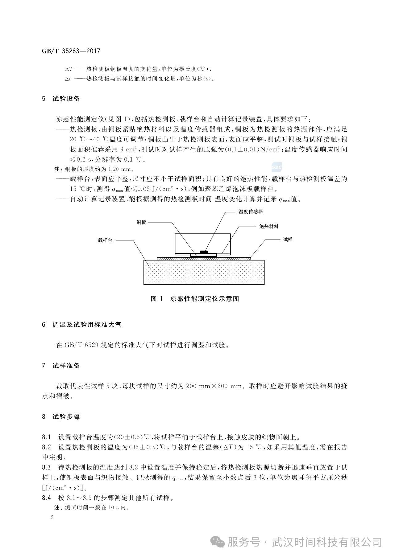
GB/T 35263-2017《纺织品 接触瞬间凉感性能的检测和评价》
GB/T 35263-2017《纺织品 接触瞬间凉感性能的检测和评价》
作者: 市场部
发布于: 2025-07-21 11:18
阅读:
35
分类:
新闻资讯
GB/T 35263-2017
《纺织品 接触瞬间凉感性能的检测和评价》
推荐文章
时间科普 | 含薄荷醇的乳膏剂薄荷清馨膏的安全性研究
2026-03-25
时间科普 | 浙江红山茶籽油脂质组成及舒缓修护功效研究
2026-03-25
时间科普 | 10种花类提取物的活性评价及在化妆品中的应用
2026-03-25
时间科普 | 基于HaCaT和RAW264.7细胞模型的D-泛醇修护和舒缓功效机制研究
2026-03-25